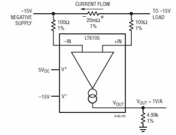
Este circuito se encuentra en un manual de aplicación de Linear Technology 2005. El circuito monitorea la corriente del lado alto usando un LT6105 . La tensión de línea es de 15 V.

Monitor de corriente de línea positiva
Este circuito se encuentra en un manual de aplicación de Linear Technology 2005. El circuito monitorea la corriente del lado alto usando un LT6105 . La tensión de línea es de 15 V.
