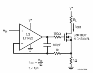
Encontramos este circuito en un manual de aplicación de Linear Technology. El circuito puede drenar hasta 1 A de corriente controlada por la tensión aplicada al LT1492.

Drenaje de corriente controlada por tensión
Encontramos este circuito en un manual de aplicación de Linear Technology. El circuito puede drenar hasta 1 A de corriente controlada por la tensión aplicada al LT1492.
