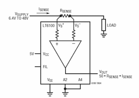
Encontramos este simple circuito de detección de corriente de ganancia 50 en una publicación de Linear Technology de 2005. El circuito se basa en el LT6100 y puede operar en circuitos de 6.4 a 48 V.

Sensor de corriente con ganancia 50
Encontramos este simple circuito de detección de corriente de ganancia 50 en una publicación de Linear Technology de 2005. El circuito se basa en el LT6100 y puede operar en circuitos de 6.4 a 48 V.
