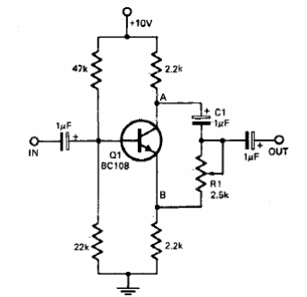
El transistor puede ser el BC548 en este circuito para señales de baja frecuencia. Lo encontramos en una documentación antigua. La alimentación puede estar entre 6 y 12 V.

Cambio de fase con un transistor
El transistor puede ser el BC548 en este circuito para señales de baja frecuencia. Lo encontramos en una documentación antigua. La alimentación puede estar entre 6 y 12 V.
