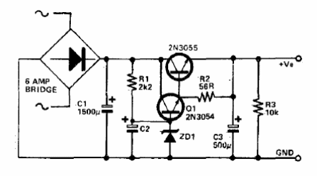
Esta fuente de alimentación utiliza un multiplicador de capacitancia. C2 puede ser de 100 uF que con la acción del circuito se comportará como un capacitor de 37 000 uF. El circuito es de documentación antigua y el diodo zener prestará atención a la salida, considerando la caída en las junciones de transistores.

Fuente de bajo ripple



