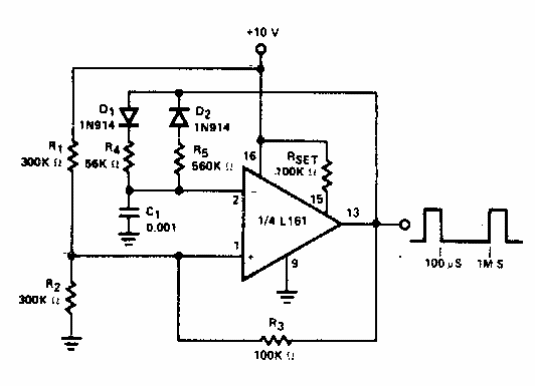
Este circuito es de una documentación de los años 80, que se aplica a los comparadores ordinarios. La fuente no tiene que ser simétrica y la relación de espacio de señal viene dada por la relación entre R4 y R5. La forma de la señal se muestra en la figura.

Generador de pulso



