Encontramos este circuito en un viejo manual de radioaficionado. El circuito utiliza diodos PIN para cambiar las señales de RF. El circuito opera con señales de baja intensidad.

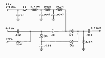
Atenuador o interruptor de RF con diodo PIN
Encontramos este circuito en un viejo manual de radioaficionado. El circuito utiliza diodos PIN para cambiar las señales de RF. El circuito opera con señales de baja intensidad.
