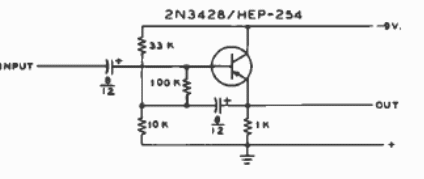
En la figura tenemos un paso de alta impedancia de entrada con un transistor PNP de propósito general. Se puede usar un transistor NPN con polaridad de potencia inversa.

Etapa preamplificadora de alta impedancia
En la figura tenemos un paso de alta impedancia de entrada con un transistor PNP de propósito general. Se puede usar un transistor NPN con polaridad de potencia inversa.
