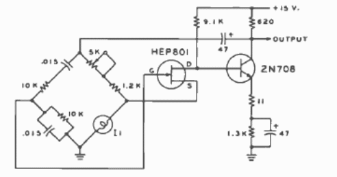
Este interesante circuito oscilador de onda sinusoidal para la banda de audio utiliza una lámpara incandescente como regulador, dadas sus características no lineales. Se pueden usar transistores equivalentes. El circuito es de una antigua documentación estadounidense.

Oscilador de puente de Wien



