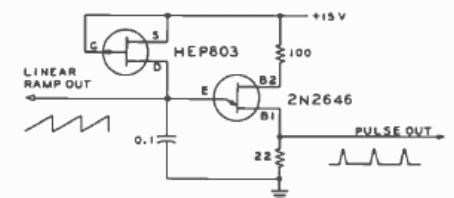
Este circuito con JFET y Unijuntura se encontró en una antigua documentación estadounidense. El capacitor determina la frecuencia y se puede usar un transistor de efecto de campo equivalente.

Generador de rampa lineal
Este circuito con JFET y Unijuntura se encontró en una antigua documentación estadounidense. El capacitor determina la frecuencia y se puede usar un transistor de efecto de campo equivalente.
