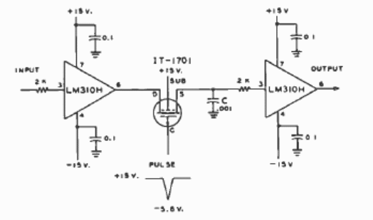
Este circuito con un MOSFET es de una antigua documentación estadounidense. El condensador debe estar libre de fugas y el circuito puede aplicarse a amplificadores operacionales equivalentes modernos.

Muestreo y retención
Este circuito con un MOSFET es de una antigua documentación estadounidense. El condensador debe estar libre de fugas y el circuito puede aplicarse a amplificadores operacionales equivalentes modernos.
