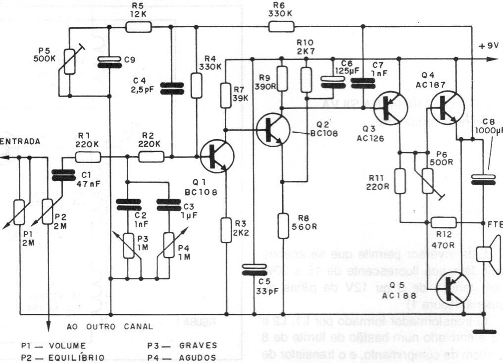
Este amplificador de aproximadamente 6 W utiliza transistores de salida complementarios que deben estar equipados con disipadores de calor. El circuito es de documentación de 1987 y debe ser alimentado por una tensión de 9 V. La corriente de la fuente debe ser de al menos 1 A. El circuito incluye controles de tono. En la versión original, P1 es el volumen y el equilibrio P2. El par de salida se puede reemplazar por BD135 y BD136.




