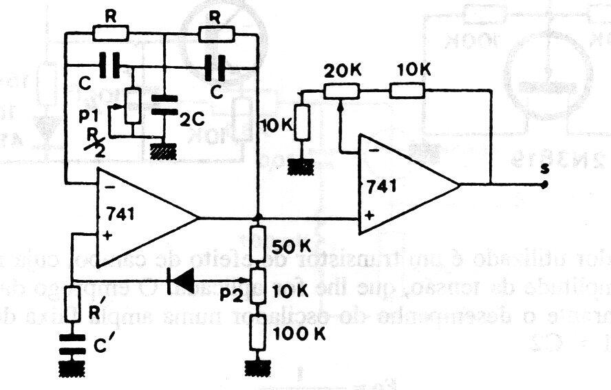
Esta configuración de oscilador doble T de baja frecuencia bien diseñada que utiliza el 741 se encontró en una documentación de la década de 1980. El circuito debe ser alimentado por una fuente simétrica y el diodo tiene un propósito general. El potenciómetro de 20k (22k) ajusta la simetría de la señal.




