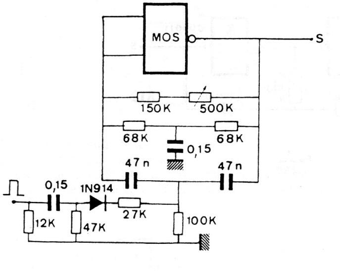
Obtuvimos este circuito de una antigua publicación europea. Genera señales sinusoidales controladas por frecuencia que dependen de los componentes utilizados. El circuito integrado puede ser el 4011 que aprovecha una puerta y la alimentación puede estar entre 5 y 12 V.




