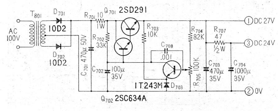
El transformador de esta fuente de alimentación que se encuentra en la documentación japonesa antigua puede tener una tensión secundaria de 22 a 25 V y una corriente de 500 mA. El transistor de potencia admite equivalente y debe montarse en un excelente disipador de calor. La fuente se utilizó en grabadoras de la época.




