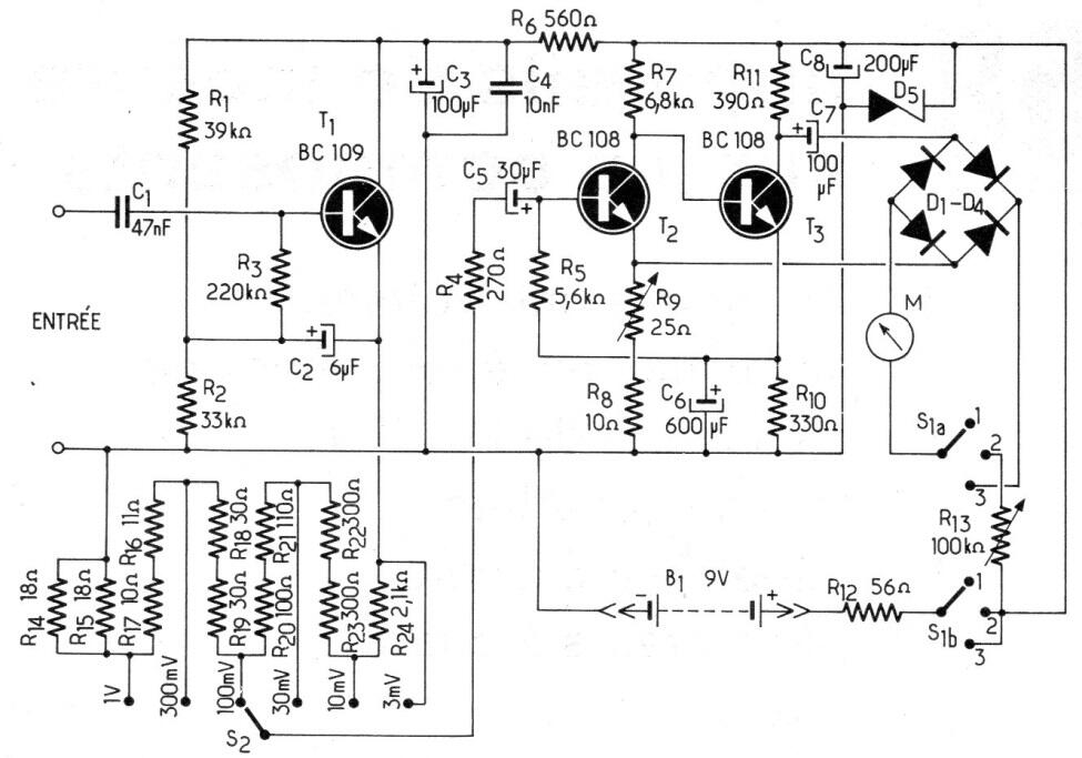
Este sofisticado medidor de milivolts de alta impedancia de entrada se encontró en una documentación francesa de la década de 1980. Tiene varias entradas que deben calibrarse previamente para mayor precisión. BC108 puede ser reemplazado por el BC548 y BC109 por el BC549. Se puede usar un multímetro en la escala actual en lugar del indicador original. El instrumento tiene 50 uA.




