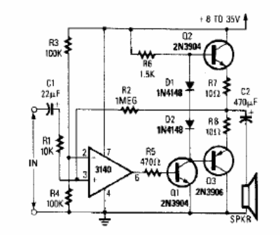
Encontramos este circuito en una vieja Radio Electronics. Los componentes pueden ser reemplazados por equivalentes modernos. Observe el rango de tensiones de alimentación. Los BD135 y BD136 con disipadores de calor se pueden utilizar para la salida.

Amplificador de 1 a 2 W



