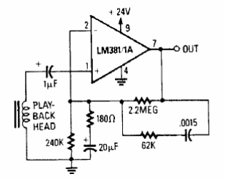
Este circuito se puede usar con sistemas de reproductores de cinta más antiguos para recuperar medios al cambiarlo, por ejemplo, a forma digital. Lo encontramos en un Radio Electronics de los 90. La fuente de alimentación debe tener una filtración excelente y la cabeza conectada con un cable blindado.

Amplificador de reproducción de cinta



