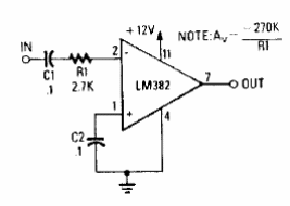
Este amplificador se encontró en un Radio Electronics de los 90. El circuito utiliza un operacional inusual hoy en día, pero puede usarse un equivalente. Se pueden usar tensiones más bajas con amplificadores más modernos.

Amplificador de ganancia de 40 dB LM382



