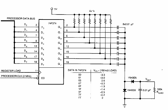
Este interesante circuito se obtuvo de un EDN de los 90. Lo que hace es generar tensiones negativas controlados por un microprocesador o microordenador a partir de una salida paralela. El circuito tiene en la tabla las tensiones generadas.

Shield de tensión negativa



