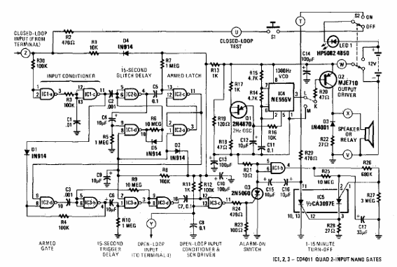
Esta alarma sofisticada con componentes tradicionales se encontró en una antigua documentación estadounidense. El circuito es de los años 80, pero hoy se puede implementar fácilmente. Se pueden hacer cambios, incluso para el uso de microcontroladores.

Alarma de seguridad



