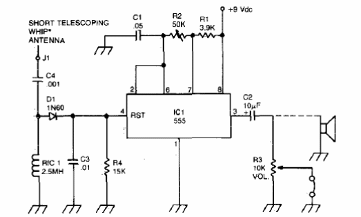
Este circuito está destinado a la producción de una señal audible a partir de la captura de una señal de RF de telégrafo de onda continua. Con esto es posible monitorear la transmisión. El circuito está destinado a aficionados y se encontró en una publicación de la década de 1980.

Generador de tono lateral 555



