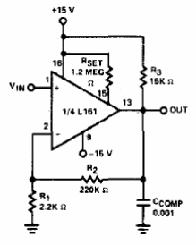
Encontramos este circuito en un viejo manual. El rango de paso es de 20 MHz y la fuente de alimentación debe ser simétrica. El circuito se puede aplicar a los equivalentes operacionales más modernos.

Operacional com gananacia 100 L161
Encontramos este circuito en un viejo manual. El rango de paso es de 20 MHz y la fuente de alimentación debe ser simétrica. El circuito se puede aplicar a los equivalentes operacionales más modernos.
