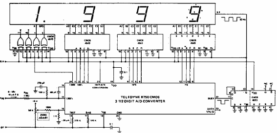
El componente utilizado en este circuito no es muy común hoy en día, ya que el circuito es de los años 80. Sirve como referencia para la reparación, ya que se utilizó en muchos equipos comerciales de la época, como los multímetros.

Convertidor de 3 dígitos y medio con LCD



