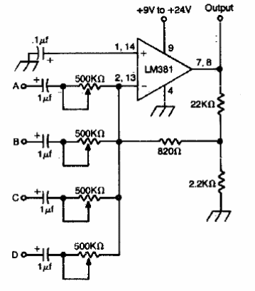
Este circuito es de un antiguo manual de componentes de National Semiconductor. El circuito se puede implementar con amplificadores más modernos. El número de canales se puede cambiar.

Mezclador de 4 canales
Este circuito es de un antiguo manual de componentes de National Semiconductor. El circuito se puede implementar con amplificadores más modernos. El número de canales se puede cambiar.
