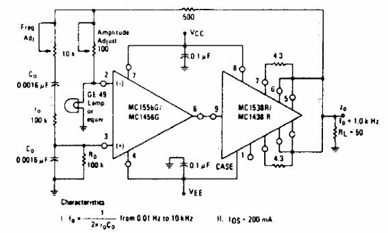
Este circuito genera señales de 0.01 Hz a 10 kHz, pero hoy usa componentes inusuales. El circuito se obtuvo del manual de los circuitos integrados utilizados.

Oscilador Puente de Wien II
Este circuito genera señales de 0.01 Hz a 10 kHz, pero hoy usa componentes inusuales. El circuito se obtuvo del manual de los circuitos integrados utilizados.
