Este circuito es de documentación antigua que tiene una ganancia de aproximadamente 35 dB a 1 kHz con entrada de 2.2 mV. El circuito tiene ecualización RIAA y puede probarse con FET más modernos.

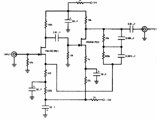
Preamplificador para cabeza magnética
Este circuito es de documentación antigua que tiene una ganancia de aproximadamente 35 dB a 1 kHz con entrada de 2.2 mV. El circuito tiene ecualización RIAA y puede probarse con FET más modernos.
