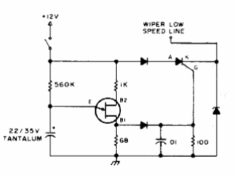
Esta versión es de una antigua documentación de los años 80. El SCR puede ser el TIC106 y el transistor unijuntura el 2N2646. El resistor de 560k se puede reemplazar con un potenciómetro de 470k en serie con una resistor de 47k para el ajuste de tiempo.

Intervalador de limpiaparabrisas



