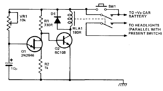
Encontramos este circuito en una documentación estadounidense de la década de 1980. El circuito impulsa un sistema que mantiene las luces de un automóvil encendidas durante un tiempo cuando se activa. El circuito está cableado en paralelo con el interruptor que acciona los faros.

Retardo para faros



