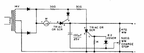
Este circuito para cargas de baterias de 12 V se apaga automáticamente al final de la carga. El punto de desconexión se establece en el potenciómetro de cable de 500 ohms (470 ohms). El transformador de 14 V tiene 2 A secundarios. Los SCR pueden ser tipos equivalentes actuales.

Cargador con apagado automático



