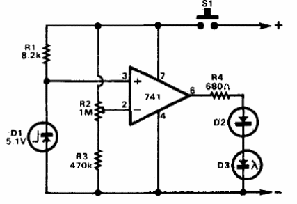
El circuito es de una publicación de los años 80, pero los componentes son actuales, solo diodos de tipo especial que son diodos zeners y lambda, estos últimos difíciles de obtener hoy en día.

Indicador de estado de la batería
El circuito es de una publicación de los años 80, pero los componentes son actuales, solo diodos de tipo especial que son diodos zeners y lambda, estos últimos difíciles de obtener hoy en día.
