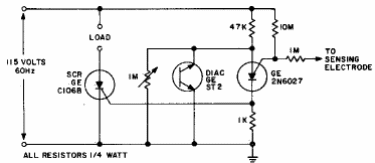
Este circuito es de una documentación de los años 80, haciendo uso de PUT que actualmente no son componentes comunes. El circuito impulsa una carga que depende del SCR y es alimentado por la red eléctrica. Recuerda que el control es media onda.

Interruptor táctil o sensor de proximidad



