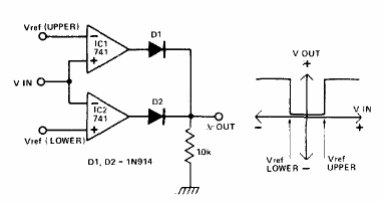
Esta configuración convencional de comparación de ventana se encontró en una documentación antigua de fábrica. Es válido para otros operacionales que deben ser alimentadas por una fuente simétrica. Los diodos son de propósito general.

Comparador de ventana



