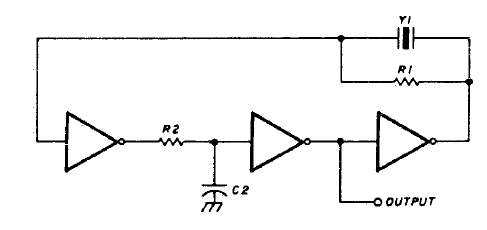
Este circuito aparece en otra parte de este sitio. La puerta CMOS puede ser cualquiera, incluidos las puertas NAND y NOR conectados como inversores. Los valores R1 están entre 1 y 5 MHz y R2 alrededor de 10 kHz.

Oscilador CMOS de 1 a 4 MHz
Este circuito aparece en otra parte de este sitio. La puerta CMOS puede ser cualquiera, incluidos las puertas NAND y NOR conectados como inversores. Los valores R1 están entre 1 y 5 MHz y R2 alrededor de 10 kHz.
