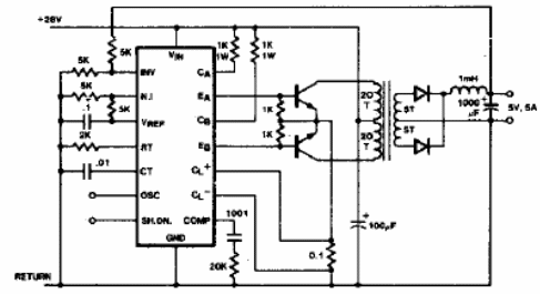
Los transistores de potencia de este circuito de los 80 deben tener al menos 10 A de corriente de colector y estar montados en excelentes disipadores de calor. No se dan detalles completos del devanado del transformador. El circuito integrado de la época es el SG1524.

Inversor regulado



