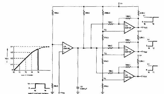
Este circuito se encontró en un antiguo manual de circuitos integrados lineales de los años 80. Se pueden utilizar amplificadores operacionales equivalentes. Las formas de señal obtenidas se dan al lado del diagrama.

Generador de retardo de tiempo
Este circuito se encontró en un antiguo manual de circuitos integrados lineales de los años 80. Se pueden utilizar amplificadores operacionales equivalentes. Las formas de señal obtenidas se dan al lado del diagrama.
