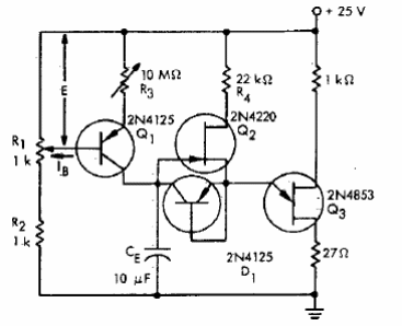
Encontramos este circuito en una documentación de la década de 1980. El circuito utiliza componentes poco comunes hoy en día que pueden reemplazarse por equivalentes actuales. El capacitor de tiempo debe ser de alta calidad con baja corriente de fuga.

Retraso de larga duración



