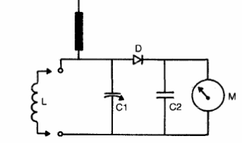
Este circuito puede funcionar con señales de 1.5 a 150 MHz. C1 es 36 pF y C2 es 4n7. El diodo puede ser cualquier diodo de germanio y el instrumento indicador 50 uA. Se puede utilizar el rango de corriente más bajo de un multímetro estándar.

Medidor de intensidad de campo



