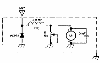
Este circuito solo usa componentes pasivos y el instrumento puede ser un microamperímetro o el rango de corriente más bajo de un multímetro estándar. La antena es telescópica.

Medidor Aperiódico de Intensidad de Campo
Este circuito solo usa componentes pasivos y el instrumento puede ser un microamperímetro o el rango de corriente más bajo de un multímetro estándar. La antena es telescópica.
