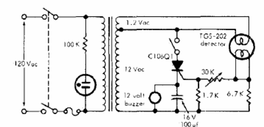
El componente del sensor utilizado en este proyecto no es común hoy en día, ya que es un diseño de los años 80. El circuito alimenta directamente un zumbador de 12 V. Otro componente de diseño crítico es el transformador que debe tener un devanado de 1,2 V. El circuito detecta CO, CO2, gas de cocción y otros.

Detector de fugas de gas y humo



