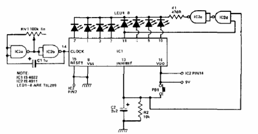
Este simple juego CMOS de los 80 se encontró en una revista inglesa de la época. Aparece en otras partes de este sitio de otras fuentes. El circuito es simple y puede funcionar con una batería de 9 V. Los LED funcionan y debes alcanzar el valor más alto.

Tiro al blanco



