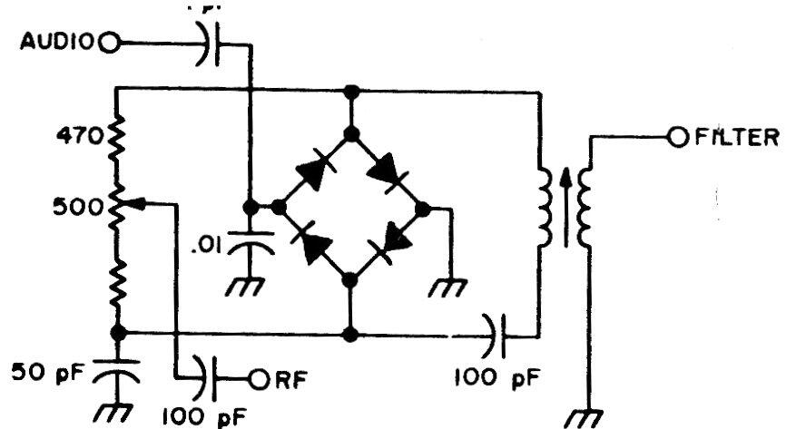
Este modulador SSB no utiliza el transformador balanceador.. El circuito es de una documentación de los años 80. Se usa un puente de 4 diodos, los diodos se usan comúnmente. El capacitor en la entrada de audio es de 100 nF.
Este modulador SSB no utiliza el transformador balanceador.. El circuito es de una documentación de los años 80. Se usa un puente de 4 diodos, los diodos se usan comúnmente. El capacitor en la entrada de audio es de 100 nF.