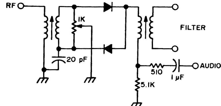
Este es otro circuito modulador equilibrado o balanceado para la transmisión SSB. Este circuito de dos diodos se encontró en una documentación de la década de 1980. Los diodos se usan comúnmente.

 

Modulador balanceado de dos diodos
Modulador balanceado de dos diodos | Haga click en la imagen para ampliar |