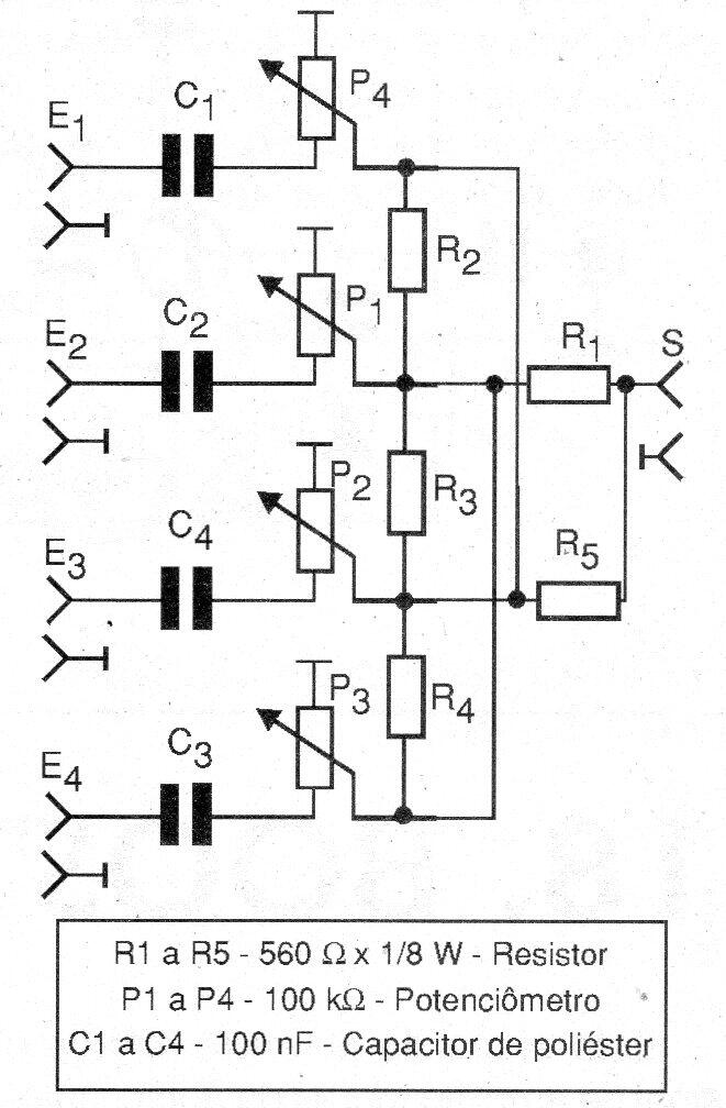
El simple mezclador presentado se puede usar para mezclar señales de fuentes de baja intensidad al aplicarlas a la entrada de un amplificador. Este es un mezclador pasivo, es decir, no tiene pasos de amplificación, lo que significa que la señal de salida es muy débil y debe aplicarse a amplificadores de alta ganancia o eventualmente a circuitos de amplificadores. Se deben usar cables blindados en la entrada y salida del circuito para evitar los ronquidos.




