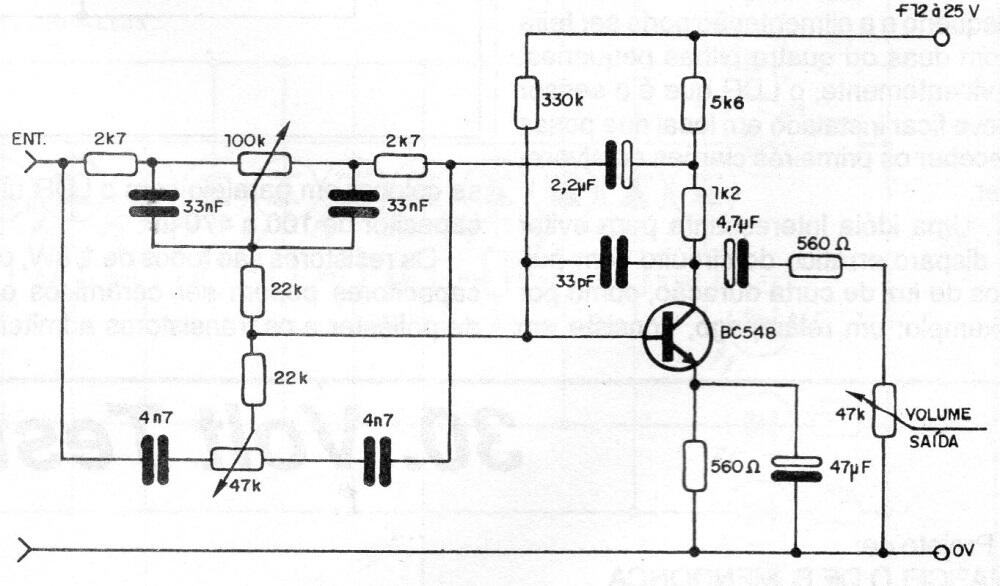
Este circuito de transistor consta de una conocida configuración de control de graves y agudos. La configuración se obtuvo de la documentación anterior y el transistor también puede ser BC549 para un nivel de ruido más bajo. La alimentación debe tener una excelente filtración y provenir del amplificador con el que opera el control.




