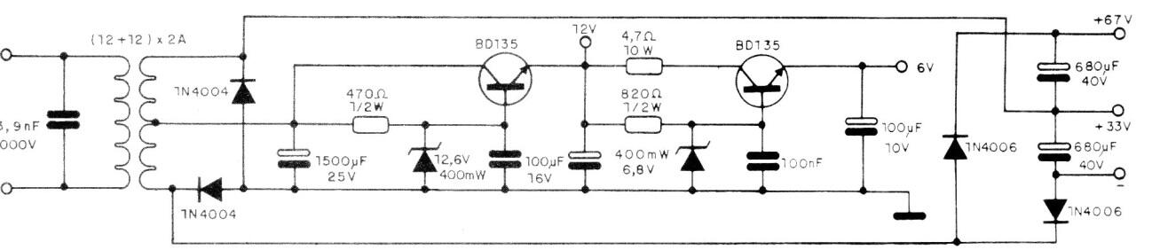
Esta fuente de alimentación está diseñada específicamente para el transmisor CIR11745S, pero es adecuada para otras aplicaciones que requieren los mismos voltajes. El transformador debe tener al menos 2 A de corriente secundaria y los transistores de potencia deben tener buenos radiadores de calor.




