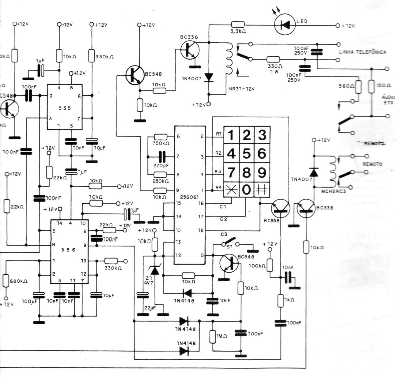
Este circuito se encontró en una documentación de los años 90. Su propósito es marcar un número programado comandado por un sistema de alarma, avisando así al propietario de una invasión. Para ingresar el número predeterminado, mantenga presionado S1 y marque.




