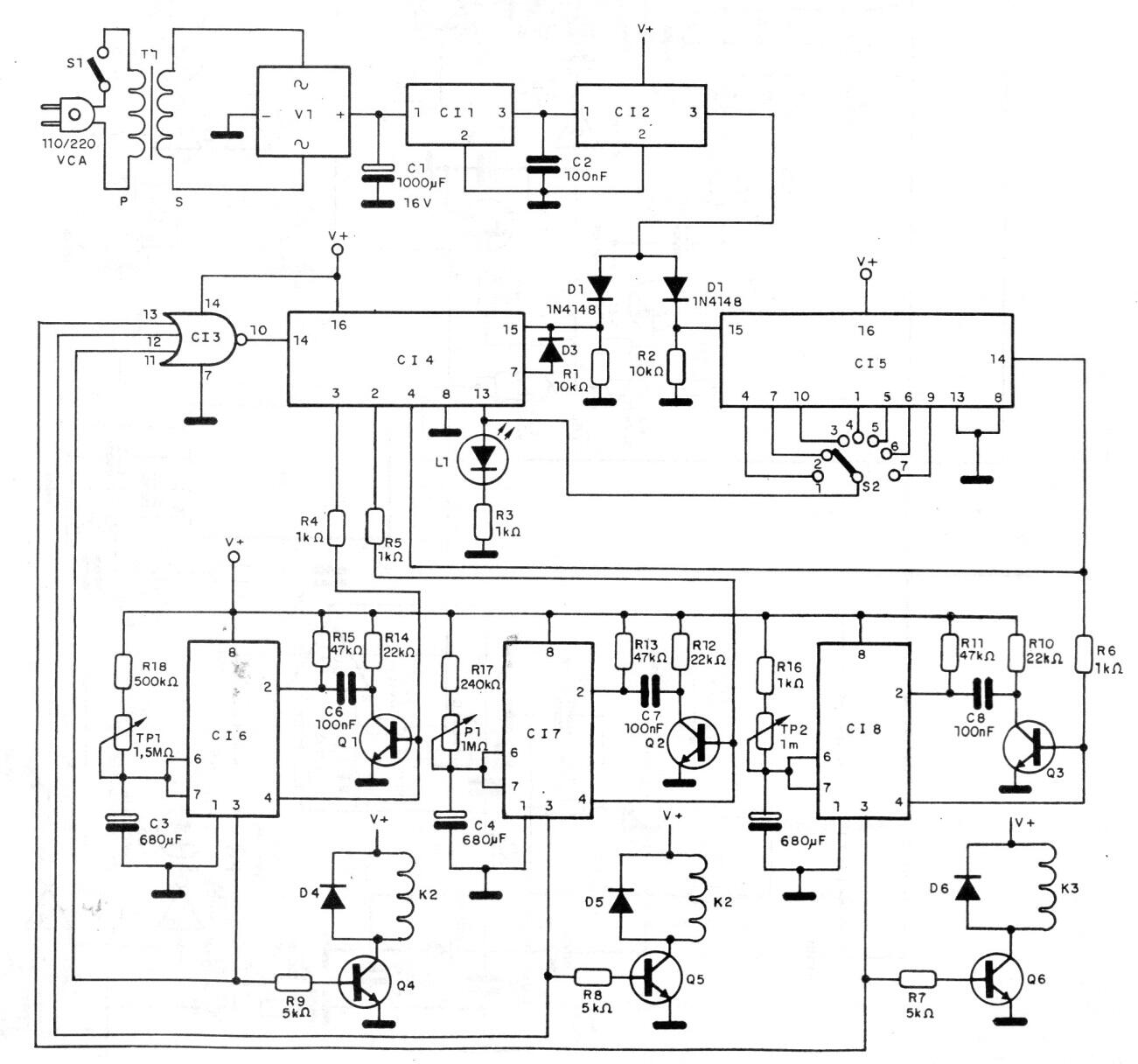
Este circuito mejora el rendimiento de las máquinas semiautomáticas o de otros tipos simple al permitir la programación de tareas a través de relés de tiempo. El circuito se encontró en una publicación de la década de 1990, pero puede ensamblarse fácilmente ya que utiliza componentes todavía comunes. La fuente está incluida.




