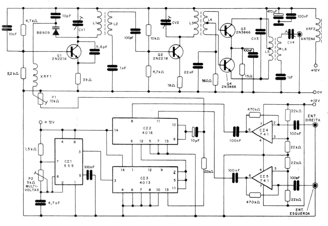
En este transmisor, L1 y L3 están formados por 5 vueltas del cable 22 y L2 y L3 por 4 vueltas del mismo cable en las bobinas anteriores con un pequeño núcleo de ferrita. Las tomas son centrales y los choques de 100 uH. El circuito debe ser alimentado con una excelente filtración y los transistores de salida de RF deben estar equipados con radiadores de calor.




