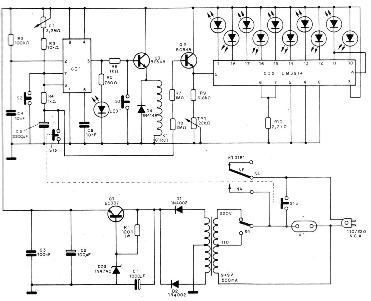
Este circuito tiene una indicación LED del progreso del tiempo y se ha encontrado en una publicación antigua. Sin embargo, el circuito todavía es muy actual para los componentes que usa que son comunes en el mercado. El tiempo máximo depende de C5, que se puede cambiar y la supervisión del tiempo se realiza midiendo la carga del capacitor.




